0555-6768298
If you have questions or suggestions,please leave us a message,we will reply you as soon as we can!
Contact UsAdvantages Production in two or three strokes Reducing of marks through spring loaded hold-down-device Active components are hardened High repeatability through integrated backgauge Functional test and adjustment through test bends - with your sample sheets Suitable For Material thickness up to 4,0 mm minimum inside Ø: 2,5 mm x material thickness for steel and aluminium 3,0 mm x material thickness for stainless steel
Press brake rolla-v dies without scratch, it's best to put the film on the workpiece surface when you bend. and we will recoomend the suitable roll-v die size for you according to the plate you bend.
Shim Style Adjustable Dies Adjustable lower dies could be considered to be one of the most versatile additions to a press brake. With this type of tool, openings can be arranged from 6.35mm to 381mm. Spacers are provided to produce the required opening. Slotted spacers allow for easy removal to change the die opening. When not in use, spacers are positioned at sides of the die block. These dies can be furnished in solid lengths or sectioned for easier handling.
The stright blade size:835*146*26mm,90degree. the material is 42CrMo4, hardness is HRC47+/-3
The stright blade size:835*175*40mm,60degree. the material is 42CrMo4, hardness is HRC47+/-3
The stright blade size:835*146*26mm,90degree. the material is 42CrMo4, hardness is HRC47+/-3
The Amada press brake tooling straight blade size:835*145*32mm,60degree. the material is 42CrMo4, hardness is HRC47+/-3
The gooseneck punch size:835*197*92mm,88degree. the material is 42CrMo4, hardness is HRC47+/-3. and height 197mm,width 92mm. can be made according to customer's request.
The T-V die size:835*120*60mm,V12,30degree. the material is 42CrMo4, hardness is HRC52-58. and V6,V8,V10,V16,V20,V25 can be made according to customer's request.
The self centering 2V dies, the size is 835*46*50mm,88degree,the weisght is 17kg.and we can make V5-V9,V8-V12,V12-V20,V16-V25 and other V opening according the bending thickness.
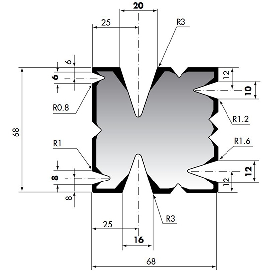
Multi V lower die
Material: 42CrMo / C45
Hardness: HRC47+/-3
product origin:
Chinabrand:
Golinshipping port:
shanghaicolor:
Silverlead time:
15-20days after receiving the depositpayment:
T/T, Western union
Multi V lower die
Customizable size
Material: 42CrMo / C45
Hardness: HRC47+/-3
Quench: Full body heat treatment
Package: Multi plywood
Golin is in the field of sheet metal processing, and is engaged in the production and sale of bending tools and crowning tables. Golin can supply punches and dies for any type of press brake. These tools are made of hardened and ground high quality steels C45 and 42CrMo. Our product range includes tool types such as: Amada / Promecam, Trumpf / Wila, Bystronic/Beyeler, LVD type, American type, Gasparini Type, Colgar Type,Colly Type,Ajial-Axial Type, Hämmerle-bystronic Type,etc. Golin has an in-house R&D department specializing in designing technologically advanced solutions, with the support of our technical department we are able to design and supply special punches and dies and research the right solution for your bending project. The tools our company supplies for press brakes are efficient and durable, thanks to the ability to use cutting-edge technology and the guarantee of highly qualified employees. Reliability and competitive pricing are two other distinguishing features of our bending tools.



SIZE:
Golin press brake tooling's standard length is:
Two kinds of L835mm and S415mm. According to the length of the press brake machine worktable, it is used in combination.
The standard segmentation size is:
■In addition to the above standard length, if you need to customize a special length, please explain.











FAQ
1. Q: Are you a factory or trading company? How is you factory extrusion experience?
A: We are a factory. 15 years Manufacturing experience.Leading supplier in Maanshan city.
2. Q:Can you put my brand logo on these products?
A:Yes we can.
3. Q:What is the Minimum Order Quantity (MOQ) for your OEM service?
A:MOQ is 1pcs.
4. Q:When can you ship the products after we make payment?
A:Production time is normally 15-25 days.
ONLINE
0555-6768298
0555-6769126
sales2@cngolin.cn
+86 18251802252